Product features
YMX Y strainers are designed to mechanically remove solids from flowing steam, gases or liquid piping systems with the use of a perforated or wire mesh straining screen, thus to protect the equipments. They Y Strainers have less debris holding capacity and higher pressure drops than basket straines. And the Y strainers can be used in both horizontal and vertical pipe runs. They can also be fitted with a cleaning blow-off connection at the end of the branch end.
These strainers are usually supplied in four materials: iron, carbon steel, bronze, or stainless steel. The Iron cast Y strainers are the most often used ones, because it costs the least, and has good corrosion resistance in many services.
The Y Strainers are provided with a variety of end connections, including threaded, flanged, and welded. Standard screens are provided for either steam service or WOG (water, oil, gas) service. Other screens are available on request also.
Product Parameter



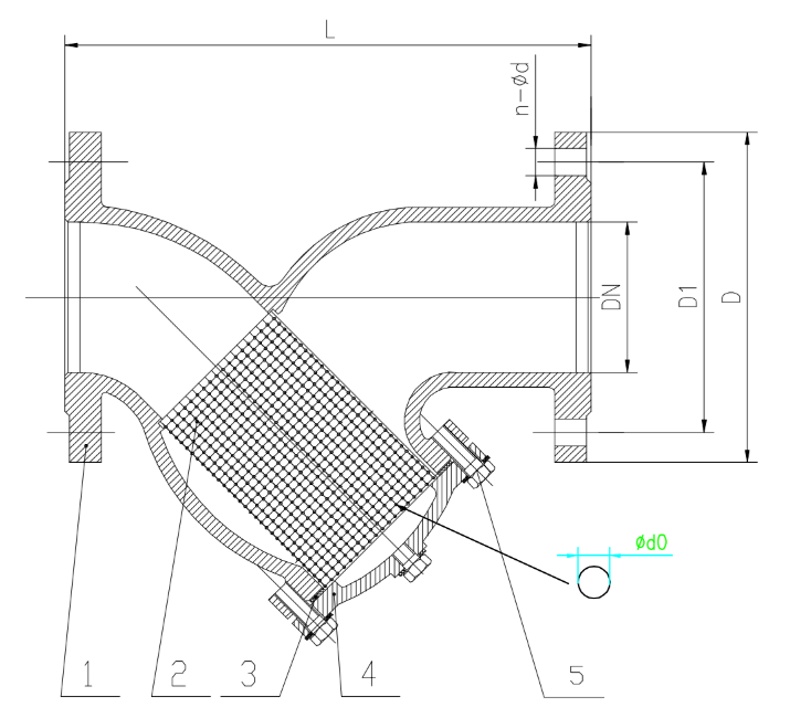
configuration
Features:
Ductile Iron Body & Cover
Fusion-Bonded Epoxy Coating Inside & Outside
Flanges Conform to ANSI B16.1
5mm Screen Hole Inlet
Material:
Body: Ductile Iron
Cover: Ductile Iron
Screen: Stainless Steel SS304
Bolts, Nuts & Washers: Stainless Steel SS304 (A2-70)
Paint: Fusion-Bonded Epoxy
